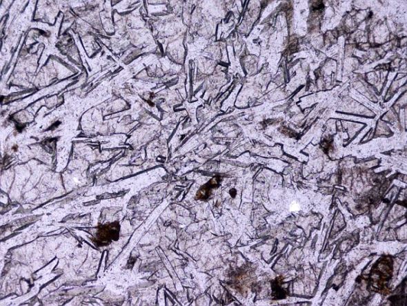
正文 澳大利亚发现月球独有矿石历史超10亿年(图) 考古发现 /2012-01-10 12:32 /2152 阅读 01 10 科学家表示,这是登上月球的第一批人带回地球的月球矿石,这种曾被认为是月球独有的岩石,现在在澳大利亚已经发现,它们已有超过10万年历史 西澳大利亚州皮尔巴拉东北地区是发现包含“月球矿石”静海石的粗玄岩的地方 粗玄岩薄片包含静海石,这种矿物曾被认为是月球独有的,但是现在人们认为它在地球上很常见 « 1 2 3 » 以上就是关于澳大利亚发现月球独有矿石历史超10亿年(图)的全部内容,声明如下:本文内容及图片素材部分来源于网络,根据《信息网络传播权保护条例》,如果我们转载的作品侵犯了您的权利,请在一个月内通知我们,我们会及时删除。